您好,欢迎来到日本购物网! 请登录 免费注册 [帮助中心]
8:30-12:00/13:00-18:30
400-668-2606
ヤマハ SR400/500 初期型 サービスマニュアル 整備書 pdf CD-R
ヤマハ SR400/500 初期型 サービスマニュアル 整備書 pdf CD-R [浏览原始页面]
当前价:2479 日元(合120.98人民币)

加价单位:0 日元/0.00 人民币

一口价:2480 日元 合 121.02 人民币
当前最高出价者: 出价次数:0
距结束:
243551.6534037
手动刷新
升级包月会员,免预付款出价! 《会员制说明》
卖方资料

卖家账号:月

卖家评价:好评:601 差评:3

店铺卖家:不是

发货地址:東京都

商品信息

拍卖号:s1207171955

结束时间:11/17/2025 00:45:06

日本邮费:卖家承担

可否退货:不可

开始时间:11/09/2025 14:45:06

商品成色:二手

自动延长:可

个 数:1

提前结束:可

最高出价:

拍卖注意事项

1、【自动延长】:如果在结束前5分钟内有人出价,为了让其他竞拍者有时间思考,结束时间可延长5分钟。

2、【提前结束】:卖家觉得达到了心理价位,即使未到结束时间,也可以提前结束。

3、参考翻译由网络自动提供,仅供参考,不保证翻译内容的正确性。如有不明,请咨询客服。

4、本站为日拍、代拍平台,商品的品质和卖家的信誉需要您自己判断。请谨慎出价,竞价成功后订单将不能取消。

5、违反中国法律、无法邮寄的商品(注:象牙是违禁品,受《濒临绝种野生动植物国际贸易公约》保护),本站不予代购。

6、邮政国际包裹禁运的危险品,邮政渠道不能发送到日本境外(详情请点击), 如需发送到日本境外请自行联系渠道。

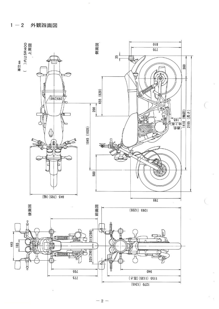
ヤマハ SR400/500

サービスマニュアル 2J3-28197-00
1978/4 (昭和53年4月)

収録内容
1 総説
2 点検・調整編
3 エンジン整備編
4 車体編
5 電装整備編
6 サービスデーター

上記内容の pdfをCD-Rでの発送になります。
出价者 信用 价格 时间
推荐
地址: 205-0023 東京都羽村市神明台
国内客服电话:400-668-2606
E-mail:gouwujp@gmail.com
//